摘要
分析智能集成式电力电容的工作原理及功能,结合山东环保材料制造厂配电现状,选择经济可靠的方案,智能电容过零投切与低功耗,解决了继电器投切产生涌流的问题;接线简单,扩容方便,解决无功补偿柜内空间不足、补偿容量不足的问题;带有通讯功能可传输后台,解决了补偿配电分散管理、故障报警不及时的问题。
概述
对于电力系统中的供电部分,提供电能的发电机是按要求的额定电压和额定电流设计的,发电机长期运行中,电压和电流都不能超过额定值,否则会缩短其使用寿命,甚至损坏发电机。由于发电机是通过额定电流与额定电压之积定额的,这意味着当其接入负载为电阻时,理论上发电机得到利用,因为P= UIcosφ中的cosφ=1;但是当负载为感性或容性时,cosφ<1,发电机就得不到充分利用。为了较大程度利用发电机的容量,即发电机产生有功较大,就须提高其功率因数。在低压配电系统中,采用并联电容器装置对无功功率进行集中补偿或就地补偿是降低线损、节约电能合理的方法。无功功率补偿的主要功效是:减少设备和线路的功率损耗;稳定电压,提高供电质量;提高电力变压器的承载能力;在长距离输电中,提高系统输电稳定性和输电能力等。
传统的电容电抗无功补偿装置,补偿精度低,功能单一,安装接线复杂,同时不利于生产、运输、安装、调试和可靠运行,已经严重制约它的发展,电容器在投切过程中容易产生较大的冲击电流,引起电网过电压,严重时会产生谐波,对电网的稳定性产生影响。为解决这些问题,可改用具有过零投切技术的低压智能集成式电力电容器作为补偿装置。
原理分析
AZCL智能集成式谐波抵制电力电容以共补电容或分补电容为主体,采用微型电子元件技术、微型传感器技术、微型网络技术和电器制造技术,将智能组件、控制器、电容器、电抗器、塑壳断路器等元件微型化,整机体积小,结构精巧。智能电容控制器通过电流互感器、电压采样计算出无功缺额、功率因数等参数,以工业级MCU为核心,同AD转换、RS-485通讯、LCD显示、数据存储等构成一个系统,集采集、运算、分析、控制、通信、人机交互、数据存储于一体。

//智能网络控制功能
自动检测及跟踪系统中的无功功率变化,自动投切电容器组。投切方法为:容量相同的电容器,按循环投切原则;容量不同的电容器,按适补原则进行投切;先投先切,先退先投。补偿工况恒定时,电容器每一小时循环投切一次,避免单只电容器长时间投运。
//快速投切电容器功能
自动检测及跟踪系统中的无功功率变化,自动投切电容器组。投切方法为:容量相同的电容器,按循环投切原则;容量不同的电容器,按适补原则进行投切;先投先切,先退先投。补偿工况恒定时,电容器每一小时循环投切一次,避免单只电容器长时间投运。
//测量功能
可测量系统电压、电流、频率、有功功率、无功功率及功率因数等电参量,也可以检测各次电压、电流谐波,实时查看电网参数。
可测量系统电压、电流、频率、有功功率、无功功率及功率因数等电参量,也可以检测各次电压、电流谐波,实时查看电网参数。
//分相补偿功能
分相型电容器可对各相上的电容器进行分别投切,提高对系统无功功率的补偿精度,使三相无功功率不平衡的系统得到了良好的补偿。
//保护功能
电容器有过压、欠压、欠流、过温、断相、过谐保护。当电容器内部温度超过60℃时,电容器会整机退出运行,确保系统安全。
//通信功能
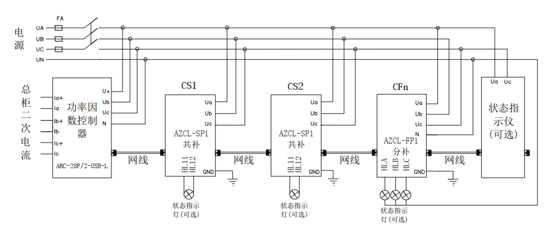
电容器和控制器之间采用网线连接,控制器与后台采用RS485通讯连接,便于大量采集数据、上传数据及与外设监控终端进行信息交换,构成系统工作。
//抵制谐波功能
将电抗器与电容器串联构成LC回路,降低谐波的失真,对于高于LC回路自振频率的谐波而言,表现为感性,避免了谐振。7%电抗器能够合理抵制5、7次以上谐波,防止电容器过热、绝缘介质老化及自愈性能下降等不利因素的发生。
现场案例
山东某环保材料制造厂,主要经营仿木装饰品、仿木线材制品、画框、相框等,占地面积142亩,主要包括厂房、办公楼、展示厅、食堂、员工宿舍等。其配电系统是由数台10/0.4KV主变压器,经低压配电设备向用电设备供电。厂房车间变压器容量为1600kva,负载总容量为1020kw,当前功率因数为0.8,要将功率因数提高到0.95左右,其主要负载为加热炉、电动机等,负载谐波以5、7次为主,选用7%智能电容;办公楼变压器1250kva,负载总容量为650kw,当前功率因数0.75,其主要负载为开关电源、照明等,谐波以3次谐波为主,选用14%智能电容。

图1 厂房车间配电图

图2 办公楼配电图
解决方案
厂房车间的低压配电系统主要为三相负载加热炉、电动机,主要引起5、7次谐波,采用7%电抗进行调谐处理,保护电容器不受谐波影响从而放大电流。安装容量为600kvar,选用共补、7%智能电容,补偿功率因数达到0.95左右,满足客户要求。使用普通电容电抗,至少需要两套宽1000*深1000的柜子,现在安装AZCL智能集成式谐波抵制电力电容器,只需要两套宽800*深800的柜子,柜体空间也大大节省,接线简单,安装方便,可靠性更高。

办公楼的低压配电系统有大量的谐波源负荷,会产生3、5、7次谐波,大量的单相非线性负荷会造成三相不平衡、谐波超标、中性线谐波过载等电能质量问题,进行无功补偿需要考虑谐波的影响。计算得无功需量为350kvar,安装容量为480kvar,考虑到系统中带有的谐波,安装共补300kvar、分补180kvar容量的14%智能电容,实际功率因数达到0.94,符合要求,使用普通电容电抗,至少需要两套宽1000*深1000的柜子,现在安装AZCL智能集成式谐波抵制电力电容器,只需要两套宽800*深800的柜子,柜体空间也大大节省,接线简单,安装方便,可靠性更高。

AZCL智能集成式谐波抵制电力电容器
AZCL智能集成式谐波抵制电力电容器是应用于0.4kV、50Hz低压配电中用于节省能源、降低线损、提高功率因数和电能质量的新一代无功补偿设备。它由智能测控单元、晶闸管复合开关电路、线路保护单元、电容器和电抗器构成。AZCL低压智能电力电容器采用定制段式LCD液晶显示器,可显示三相母线电压、三相母线电流、三相功率因数、频率、电容器路数及投切状态、有功功率、无功功率、谐波电压总畸变率、电容器温度等。通过内部晶闸管复合开关电路,自动寻找较佳投入(切除)点,实现过零投切,具有过压保护、缺相保护、过谐保护、过温保护等保护功能。


// 技术参数

//接线方式

结束语
在山东环保材料制造厂项目中,功率因数普遍偏低,电费罚款较多,使用AZCL智能集成式谐波抵制电力电容器发出无功,提高受电端母线的电压水平,减少了线路上感性无功的输出,降低了电压和功率损耗,因而提高了线路的输电能力。AZCL智能集成式谐波抵制电力电容器操作简单、功能齐全,能合理地解决用户问题,达到节能的效果。无论从经济性还是从实用性而言,都具有广泛的推广价值。电网既产生有功也产生无功,而无功在电网传输过程中会有损耗,低压智能电力电容进行无功补偿,从而提高功率因数,合理地改良了用电质量,节约用电成本,减少企业的开支,可减少线路的损耗,提高电网输电的效率。