国内电气火灾统计和分析
随着社会经济的飞速发展,社会电气化程度不断提高,用电负荷过大、线路短路等原因导致电气火灾发生越来越频繁,使得火灾数量呈上升趋势。
据公安部消防局5年的统计分析,电气火灾发生的场所中,住宅发生火灾事故的数量高居位(占比51%),线路短路及线路老化是诱发事故的主要原因。
通过对5年电气火灾故事原因分析发现,主要有电线短路、过负荷用电、接触不良等几种原因导致事故发生。其中,电线短路占比较大(占比48%)

传统短路保护手段及解决方法

传统微断内部结构图示
传统保护方式采用电磁脱扣式断路器,检测到短路时,脱扣器动作,分断时间在毫秒级,无法有效抑制短路电流。较好的方式是采用响应速度快的限流技术和器件。
安科瑞防火式限流保护器介绍
1.ASCP200-20D电气防火限流式保护器(0~20A可设置)

主要功能:
1) 短路限流:当线路发生短路故障时,能在150μs内实现快速限流保护,抑制因短路电流过大所引起的电气火灾事故。
2)过载限流:当被保护线路的电流超过额定电流,线路过载且过载持续时间超过设定时间(3-60秒)时,保护器进行限流保护。
3)超温限流:当保护器的内部元器件温度超过设定值时,产品启动超温限流保护功能,防止因温度过高造成产品损坏。
4) 通讯功能:一路RS485接口,Modbus-RTU协议
2.ASCP200-40B/40D电气防火限流式保护器(0~40A可设置)

主要功能:
1) 短路限流:当线路发生短路故障时,能在150μs内实现快速限流保护,抑制因短路电流过大所引起的电气火灾事故。
2)过/欠压保护:当保护器检测到线路电压欠压或过压时,保护器发出声光报警信号,可预先设置是否启动限流保护。
3)通讯功能:具有1路RS485接口,1路无线通讯,2G/4G或者NB-IoT,可以将数据发送到后台监控系统,实现远程监控。监控后台可以是安科瑞Acrel-6000/B电气火灾监控主机,也可以是安科瑞Acrel-6000安全云平台,或第三方监控软件或平台。
4)超温限流:当保护器的内部元器件温度超过设定值时,产品启动超温限流保护功能,防止因温度过高造成产品损坏。
5)过载限流:当被保护线路的电流超过额定电流,线路过载且过载持续时间超过设定时间(3-60秒)时,保护器进行限流保护。
6) 漏电流监测:当被监测的线路漏电超过报警设定值时,保护器发出声光报警信号,可预先设置是否启动限流保护。
7)线缆温度监测:当被监测线缆温度超过报警设定值时,保护器发出声光报警信号,可预先设置是否启动限流保护。
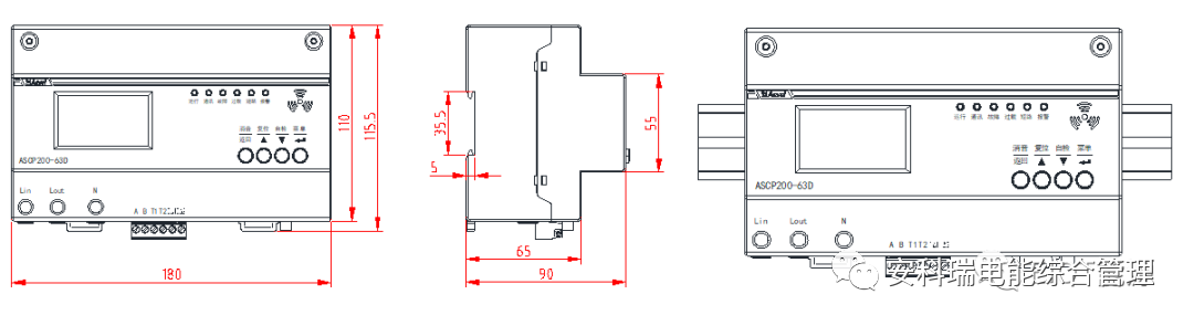
3.ASCP200-63D电气防火限流式保护器(0~63A可设置)

主要功能:
短路限流、过载限流,超温监测、线缆温度监测、漏电流监测,rs485通讯,无线通讯(NB-IoT/4G)。
4.ASCP200-63B电气防火限流式保护器(0~63A可设置)

主要功能:
短路限流,过载限流,超温监测,线缆温度监测,漏电流监测,RS485通讯,
5.ASCP500电气防火限流式保护器(0~40A可设置)

6个限流单元,短路限流、过载限流,超温监测、线缆温度监测、漏电流监测,RS485通讯,无线通讯(选配4G)。
ASCP系列电气防火限流式保护器安装与接线







ASCP系列电气防火限流式保护器接线示意:

接线说明:
1)ASCP10-1为简易型。ASCP200为功能型,标配温度监测和漏电流监测
2)保护器后方可接多个负载,需要保证负载的额定电流小于保护器的额定电流。
ASCP系列电气防火限流式保护器典型系统图

ASCP10/200/310都具备RS485通讯接口

安全用电管理云平台电脑端网页显示

ASCP系列电气防火限流式保护器使用实例

