摘要:随着我国社会的不断进步,经济得到迅速的发展,城市化进程也逐渐加快。城市电力配电网络的供电压力逐渐增加,传统的发电技术已经不再适用于目前城市电力配电的发展现状。传统发电技术电力转化的效率比较低,对空气的污染也比较大,不利于城市环境的保护以及经济的持续发展。分布式光伏发电作为一种可再生能源技术,得到了越来越广泛的应用。本项目旨在利用分布式光伏发电技术,实现自发自用、余电上网,提高能源利用效率,降低能源成本,同时减少对传统能源的依赖,促进可持续发展。
关键词:分布式光伏;自发自用,余电上网;可持续发展。
01
概述
我国拥有丰富的清洁可再生能源资源储量,开发利用可再生能源,为解决当前化石能源短缺与环境污染严重的燃眉之急提供了有效途径。但是可再生能源的利用和开发,可再生能源技术的发展和推广以及可再生能源资源对环境保护的正向影响,却远远没有达到理想的水平。大力开发太阳能、风能等新能源和可再生能源利用技术将成为减少环境污染的重要措施。
光伏发电主要包括集中式光伏发电和分布式光伏发电两类。集中式光伏发电一般为大型地面光伏电站;分布式光伏发电主要指小型分散式光伏电站,其应用形式主要为屋顶分布式光伏发电[3]。集中式光伏电站的投资大、建设周期长、占地面积大;而分布式光伏电站的投资小、建设周期短、政策支持力度大且选址自由等,本项目采用分布式光伏发电的运行方式,在厂区的屋顶进行安装光伏发电设备进行发电。
本项目采用光伏组件,总容量为4.03WM,本项目电量结算原则为:自发自用,余电上网。项目计划2024年6月底建成投产。本项目二次设计选用安科瑞Acrel-1000DP分布式光伏监控系统解决方案,光伏监控平台采用在国产麒麟操作系统下运行,使得本地保护、监控方案更为稳定可靠。通过本次分布式光伏的投建与实施,为用户提供了清洁、可再生的电力能源,有助于减少对传统能源的依赖,降低碳排放。

图1 项目现场图
02
解决方案
本项目为屋顶分布式光伏项目,该项目的容量为4.03MW,项目采用自发自用余电上网的消纳方式。利用原有的电源点作为光伏高压并网点并入电网端,并网点设置光伏进线柜柜,站用变柜,SVG柜,PT柜,计量柜,出线总柜,并网柜。新增的光伏系统配置自动化系统,实时采集并网信息,信息上传至当地调控中心DMS系统。光伏发电逆变器电源电压为1000V,经箱变升压变升压至10kV后,通过高压电缆接入新增的10kV光伏进线柜,通过并网柜并入原10kV市电高压柜。项目采用Acrel-1000DP光伏监控平台,操作使用了国产麒麟系统。监控平台具有对全站数据的实时观测、事故告警提示等功能。

图2 光伏电站一次系统图
03
系统结构
现场设备主要分为三部分,就地高压柜、二次保护装置柜、箱变。就地高压保护装置根据不同功能安装在对应的高压柜对电力进行保护。二次保护装置柜配备防孤岛保护,公共测控装置、频率电压紧急控制装置、电能质量装置,对时装置以及采集上传设备,二次保护装置主要对一次设备进行保护、厂站内的数据采集与调度上传。箱变安装有数采仪对逆变器的数据进行采集。
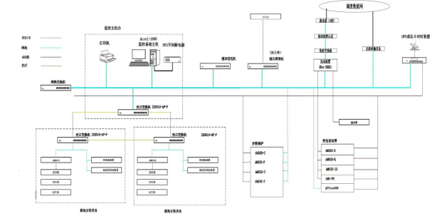
系统可分为三层结构:即现场设备层、网络通讯层、和平台管理层。
现场设备层:箱变微机保护、电能质量在线监测装置、频率电压紧急控制装置、多功能仪表、计量表等装置用于采集站内配电柜内电气运行参数、开关状态等数据,同时在10kv变电所配置直流电源,保障现场设备良好的运行环境。
网络通讯层:包含安科瑞智能网关。网关主动采集现场设备层设备的数据,并可进行规约转换,数据存储,分散10kV变电站通过数据采集箱(内置智能网关)采集数据通过光纤上传至通信室分布式光伏监控系统统平台;同时网关充当远动通信装置,将现场设备数据采集后通过交换机经纵向加密数据加密后上传调度网。
平台管理层:分布式光伏监控系统平台、国网宿迁供电公司调度控制中心平台。

图3 监控系统网络结构图
3.1. 功能需求
3.1.1. 继电保护及安全自动装置需求
分布式电源继电保护和安全自动装置配置应符合相关继电保护技术规程、运行规程和反事故措施的规定,装置定值应与电网继电保护和安全自动装置配合整定,防止发生继电保护和安全自动装置误动、拒动,确保人身、设备和电网安全。10kV接入的分布式电源,保护和安全自动装置配置还应满足《继电保护和安全自动装置技术规程》(GB/T14285-2006)。
1.线路保护装置:光伏电站线路发生短路故障时,线路保护能快速动作,瞬时跳开相应并网点断路器,满足全线故障时快速可靠切除故障的要求。
2.电容器保护装置:在高压配电室10kVSVG柜,装设1套电容器保护装置,实现欠电压,过电压,零序电压,不平衡电压保护,异常紧急控制功能,跳开电容器断路器。
3.防孤岛保护装置:防孤岛检测需满足GB/T19964-2012《光伏发电站接入电力系统技术规定》、Q/GDW617-2011《光伏电站接入电网技术规定》等规范文件的要求。分布式电源应具备快速监测孤岛且立即断开与电网连接的能力,防孤岛保护动作时间不大于2S,其防孤岛保护应与配电网侧线路重合闸和安全自动装置动作时间相配合。针对电网失压后分布式电源可能继续运行、且向电网线路送电的情况提出。孤岛运行一方面危及电网线路维护人员和用户的生命安全,干扰电网的正常合闸;另一方面孤岛运行电网中的电压和频率不受控制,将对配电设备和用户设备造成损坏。防孤岛装置应具备线路故障时,确保电源能及时断开与电网连接,确保重合闸能正确动作。
4.光伏电站内需具备直流电源,供10kV保护及测控装置,电能质量在线监测装置等设备使用。光伏电站内需配置交直流一体化电源,供关口电能表、电能量终端服务器、交换机等设备使用。系统继电保护应使用专用的电流互感器和电压互感器的二次绕组,电流互感器准确级宜采用0.2S、10P级,电压互感器准确级宜采用0.2、3P级。
5.光伏电站本体应具备故障和异常工作状态报警和保护的功能。
6.光伏电站应支持调度机构开展"四遥"(遥测、遥信、遥控、遥调)应用功能。
7.恢复并网:当光伏发电系统因电网扰动脱网后,在电网电压和频率恢复到正常运行范围之前,光伏发电系统不允许并网;在电网电压和频率恢复正常后,通过10kV电压等级并网的分布式电源恢复并网应经过电网调度机构的允许。
3.1.2. 调度自动化需求
光伏电站应满足江苏电力调度控制中心关于印发《发电企业自动化系统接入配置指导意见》的通知(电调〔2018〕40号)有关自动化规定:10kv接入的分布式电源,信息采集、控制调节等应满足江苏电力调度控制中心关于印发《光伏电站接入电网技术规定》(Q/GDW617-2011)、《光伏发电站接入电力系统技术规定》(GB/T19964-2012)要求。光伏电站投运后,由区调调度,并由区级供电公司对运行进行管理。因此,需建立光伏电站至区调的调度通信以及运动等信息和数据传输通道。
10kv光伏电站本体需配置配电自动化终端监控系统,具备与电网调度机构进行双向通信的能力,能够实现远程监测和控制功能,应能接收、执行调度端远方控制解/并列、启停和发电功率的指令,具备群调群控及远动功能,有关光伏电站本体信息的采集、处理采用监控系统来完成,具备符合相关标准通信协议的远传功能。光伏电站配电自动化终端监控系统实时采集并网运行信息,主要包括主断路器状态、并网点开关状态(具备遥控功能)、并网点电压和电流、光伏发电系统有功功率和无功功率、光伏发电量、频率等,上传至市供电公司配网自动化系统主站,再由市供电公司调度中心将数据下发至县调,当调度端对分布式电源有功功率和无功电压有控制要求时,就地监控系统应能够接收和执行上级调度主站系统的控制命令。
根据上述调度自动化需求,本项目采用104有线、101无线两路通道进行数据数据调度上传。利用安科瑞远动网关进行数据的调度上传,通过方天装置与调度之间建立的无线101通道进行数据101上传;通过ONU装置与调度之间建立的有线104通道进行数据104上传。本项目具有AGC控制,通过AGC控制装置采集数采仪数据,汇总数采仪数据,利用内部逻辑进行处理后输出群调群控信号,群调群控信号利用网关采集后上传到调度,调度可以设置发电功率命令通过网关下发到AGC控制装置,调节逆变器的发电功率。
3.1.3. 电能质量在线监测需求
太阳能光伏发电系统通过光伏组件将太阳能转化为直流电位的正弦波电流,并入电网,在将直流电
能经逆变转换为交流电能的过程中,可能会产生大量谐波及直流分量。
根据《光伏电站接入电网技术规定》(Q/GDW617-2011)、江苏省电力公司《光伏电站接入系统导则(2010年版)》及《分布式电源接入系统典型设计》(国家电网公司)规定,为保证对电能质量的有效监控,光伏电站侧、宿迁市城区开发投资有限公司10kV配电房侧配置1套满足GB/T19862《电能质量监测设备通用要求》的A类电能质量监测装置,用于分布式光伏项目的电能质量指标的监测。
电能质量在线监测数据需上传至相关主管机构。
3.2. 配置设备清单
根据3.2所述的光伏监控系统需求,安科瑞电气配置1套完整的分布式光伏监控系统,详细设备清单如表1。
表1我司提供方案设备列表

3.3. 典型设备介绍
AMSSE-IS防孤岛装置主要用于35KV、10KV以及低压380V光伏发电、燃气发电等新能源并网供电系统。具有三段式过流保护、反时限保护、两段式零序IO过流/IO反时限过流保护等保护功能。防孤岛装置具有以下作用1:保护人员安全:在电网或光伏侧失电时,防孤岛装置能迅速动作,切断并网点,避免维修人员在不知情的情况下接触带电部分,从而保障其生命安全。2:防止电网冲击和设备损坏:通过快速切断连接,防孤岛装置防止了孤岛效应可能导致的电压和频率异常,从而避免了这些异常对电网和光伏设备造成的冲击和损坏。3:提高系统可靠性:通过实时监测和快速响应,防孤岛装置有助于维持光伏并网系统的稳定性,从而提高其与大电网的功率平衡,增强系统的整体可靠性。
APView500PV电能质量在线监测装置采用了高性能多核平台和嵌入式操作系统,遵照IEC61000-4-30《测试和测量技术-电能质量测量方法》中规定的各电能质量指标的测量方法进行测量,集谐波分析、波形采样、电压暂降/暂升/中断、闪变监测、电压不平衡度监测、事件记录、测量控制等功能为一体。装置在电能质量指标参数测量方法的标准化和指标参数的测量精度以及时钟同步、事件告警功能等各个方面均达到了国家标准要求,能够满足通过0.4-35kV电压等级并网的分布式光伏发电系统要求,广泛适用于工业厂房、商业屋顶、物流基地、机场交通、高速服务区等行业的分布式光伏并网点电能质量监测。电能质量在线监测装置的作用主要包括实时监测电能质量参数、分析电能质量问题、提高电能利用效率、保障电气设备安全运行、降低电能损耗、预防电力事故、提高用户满意度等。实时监测电能质量参数:通过监测电网中的电压、电流等参数,及时发现电能质量问题,如电压波动、电流谐波、电能失真等。分析电能质量问题:通过对监测数据的分析,可以深入了解电能质量问题的性质、原因和影响,为后续的处理提供依据。提高电能利用效率:通过监测和分析电能质量问题,可以采取相应的措施来改善电能质量,从而提高电能利用效率,减少能源浪费。提高用户满意度:通过监测和分析电力系统的运行状况,帮助电力系统管理人员了解电力系统的运行状况,及时调整电力系统的负载和运行模式,提高电力系统的效率,减少能源浪费,降低能源成本,从而提高用户满意度。
3.4.现场应用图

图4 光伏电站屏柜布置图

图5 直流屏柜布置图

图6 光伏电站监控主机台布置图
04
系统功能
4.1. 主接线界面图
在此界面可以查看配电室内高压保护柜的电量参数,监视断路器和手车的状态,在远方状态时可以遥控断路器的分合,监视高压柜保护装置的参数,能够及时的发现异常,及时做出相应的处理。

图7 主接线界面图
4.2. 电能质量监视界面图
在电能质量监控图中,可以直接查看电能质量装置的运行状态、电流电压总有效值、电压波动、电压总畸变、正反向有功电能、有功、无功功率等电能质量信息。可以根据这些信息监测现场电能的质量,及时的做出应对方案。

图8 电能质量监视界面图
4.3. 网络拓扑界面图
系统支持实时监视接入系统的各设备的通信状态,能够完整的显示整个系统网络结构;可在线诊断设备通信状态,发生网络异常时能自动在界面上显示故障设备或元件及其故障部位。

图9 站内设备网络拓扑图
4.4. 逆变器监视界面图
此界面可以监视逆变器的电流电压等电参量数据,逆变器的发电有功功率,总发电量以及故障告警信息。通过友好的用户界面和强大的分析功能,能够及时发现并解决潜在问题,确保光伏发电系统的可靠和稳定运行。

图10 逆变器监视界面图
4.5. 实时曲线监视界面图
此界面选择所要设备的电量,查看电量的实时曲线,便于现场人员查看电参量的变化情况,利用曲线的变化情况更加直观的展示出现场电量的变化方便分析现场运行状态。

图11 实时曲线监视界面图
05
结语
光伏发电是我国重要的战略性新兴产业,大力推进光伏发电应用对优化能源结构、保障能源安全、改善生态环境、转变城乡用能方式具有重大战略意义[4]。分布式光伏发电应用范围广,在城乡建筑、工业、农业、交通、公共设施等领域都有广阔应用前景,既是推动能源生产和消费革命的重要力量,也是促进稳增长调结构促改革惠民生的重要举措。该项目的实施可以有效地推动可再生能源的发展,减少对传统能源的依赖,降低能源消耗和环境污染。通过分布式光伏的应用,我们成功实现了对太阳能的有效利用,为社会提供了清洁、可持续的电力供应。在未来的发展中,我们将继续努力,为推动可再生能源的发展和应用做出更大的贡献。同时,我们也将不断提高技术水平和管理水平,确保项目的顺利实施和运行,为社会和环境的可持续发展做出贡献。